JOB DE RETENÇÃO JIS B6339-1986
  • JOB DE RETENÇÃO JIS B6339-1986JOB DE RETENÇÃO JIS B6339-1986
  • JOB DE RETENÇÃO JIS B6339-1986JOB DE RETENÇÃO JIS B6339-1986
  • JOB DE RETENÇÃO JIS B6339-1986JOB DE RETENÇÃO JIS B6339-1986
  • JOB DE RETENÇÃO JIS B6339-1986JOB DE RETENÇÃO JIS B6339-1986
  • JOB DE RETENÇÃO JIS B6339-1986JOB DE RETENÇÃO JIS B6339-1986

JOB DE RETENÇÃO JIS B6339-1986

O botão de retenção JIS B6339-1986, como estipulado pelos padrões industriais japoneses, são pregos usados ​​nas máquinas CNC para conectar os suportes de ferramentas e desenhar barras, puxando com segurança os detentores de ferramentas para o eixo. Eles também são conhecidos como parafusos de retenção ou botões de puxar. Os prisioneiros de tração podem ser personalizados para tamanhos diferentes como requisitos do cliente.

Enviar consulta

Descrição do produto

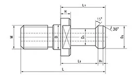
O botão de retenção JIS B6339-1986 possui especificações específicas, como o JIS B 6339, que é uma forma dentro dos padrões JIS. O JIS B 6339 estipula as dimensões e formas dos pregos de tração, incluindo pregos de tração com um ângulo de 15 ° de pulse, usado para dispositivos de tração sem bolas de aço.

Parâmetros do produto:

Retention Knob JIS B6339-1986

Modelo No.

D

D1

D2

M

L

L1

L2

H

H1

LDJ-30P

12.5

8

12

M12

43

23.4

18.4

5

3

LDJ-35P

12.5

11

15

M12

44

24

19

5

3

LDJ-40P

17

14

19

M16

54

29

23

7

3

LDJ-45P

21

17

23

M20

60

30

23

7

4

LDJ-50P

25

21

28

M24

74

34

25

7

5

LDJ-55P

31

27

36

M30

98

48

36

11

7

Nossa embalagem:

Retention Knob JIS B6339-1986

Nosso processo de produção para puxar Stud:

A forma preliminar do prato de tração pode ser fabricada através de métodos de forjamento ou fundição. Os componentes após o forjamento ou a fundição são usinados para as dimensões necessárias através da usinagem do CNC, incluindo operações como faces de giro e chanfro. Após a usinagem, o tratamento térmico é realizado para melhorar a força do prisioneiro de tração. Finalmente, o processamento de threads é realizado.

Retention Knob JIS B6339-1986


Obtenha uma citação agora


Perguntas frequentes

1. De que material o Jis Pull Studs são feitos?

Os prisioneiros Jis Pull são normalmente feitos de aço especial com força máxima de impacto. Esses pregos de tração passam por processos como carburismo, endurecimento, temperamento, jateamento de areia e polimento.


2. Como as superfícies funcionais dos prudentes Jis Pull são tratados?

As superfícies funcionais dos prisioneiros de tração JIS são totalmente moídas para garantir a precisão.


3. Quais são as especificações que Jis Pull Studs entram?

Os prisioneiros Jis Pull estão disponíveis em várias especificações, incluindo BT30, BT40, BT50, etc., com especificações específicas, dependendo do tamanho do plugue de tração necessário e do tamanho da linha.


4. Os prisioneiros Jis Pull são adequados para sistemas de refrigeração internos?

Os prisioneiros Jis Pull estão disponíveis com orifícios de resfriamento, tornando -os adequados para sistemas de refrigeração internos.



Hot Tags: JOB DE RETENÇÃO JIS B6339-1986
Categoria Relacionada
Enviar consulta
Por favor, sinta-se livre para dar o seu inquérito no formulário abaixo. Responderemos em 24 horas.
X
Utilizamos cookies para lhe oferecer uma melhor experiência de navegação, analisar o tráfego do site e personalizar o conteúdo. Ao utilizar este site, você concorda com o uso de cookies. política de Privacidade
Rejeitar Aceitar